
電話:0769-85189162 26980325
傳真:0769-81610656
郵箱:leesun@leesuncn.com
sales@leesuncn.com
地址:廣東省東莞市南城區第一國際百安中心B座303室
特點:
1.制動噪音小。采用特殊電樞,減輕制動時刺耳的告訴摩擦噪音
2.可手動釋放。即使在制動,保持狀態,也可以通過拉手動釋放手柄來解除制動力
3.可調整扭矩。通過轉動扭矩調整環,可以調整制動扭矩的范圍。且可以由于雙重制動結構確保最低扭矩
4.防塵效果好。使用橡膠防塵罩,即使在較惡劣的環境下也可以使用
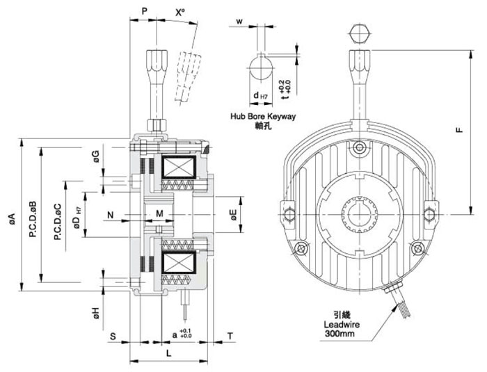
結構圖

工作原理
轉子通過花鍵輪轂安裝在軸上,安裝法蘭固定在壁面上,在未對線圈通電的狀態下,電樞通過壓縮后的扭矩彈簧壓轉子,轉子被夾在電樞和平板中,通過所產生的摩擦力對軸進行制動和固定。在這種情況下,定子與電樞之間保持一定的空隙。當線圈通電時,定子客服扭矩彈簧的壓縮力而吸引電樞。同時,轉子成為自由狀態,而旋轉軸被釋放。